Week of 12/9 - 12/13
- Matthew Stricker
- Dec 13, 2024
- 2 min read
This week I was mainly focused on coming up with a new project and I think I found one I want to work on. Ive been trying to create a setup where I would have an electromagnet holding up a spinning top with the least amount of force so that there would be no friction. I was looking at other projects though and decided that simply levitating the top would make it spin much longer as well as be a lot cooler and probably easier than trying to perfectly fine-tune the friction. There are a lot of types of magnetic levitation however many of them require specific materials as well as inconsistent setups which led me to choose electromagnetic levitation as I have already done research on electromagnets and how they can be used for a variety of uses.

I found a few people who have tried this before but none of them tried to spin things very fast, and just were levitating simple things. After I found out what I wanted to do, I had to start planning, and so I researched how I would get the magnet to levitate. I found out that I could use a hall effect sensor to measure the magnetic field of permanent magnets, and that this would be very helpful. I also found out that having an electromagnet above the magnet instead of below it is easier because you do not have to worry about the magnet falling over.

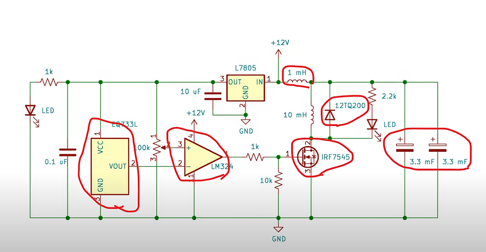
The project I am using for inspiration also had a circuit that I am planning to base my circuit off of because it seems to work quite well and has the benefit of not needing to have a microcontroller. I looked at the parts of the circuit and which of the parts would be necessary which are the ones circled in red above.




Comments